Магазин запчастей для бытовой техники - Arlos
Москва
close
Выберите ваш регион
АбаканАлександровАльметьевскАнгарскАрзамасАрмавирАртемАрхангельскАстраханьАчинскБалаковоБалашихаБеларусьБелгородБердскБерезникиБийскБлаговещенскБратскБрянскВеликий НовгородВидноеВладивостокВладикавказВладимирВолгоградВолгодонскВолжскийВологдаВолховВоркутаВоронежВоскресенскВыборгГатчинаГеленджикГрозныйДедовскДербентДзержинскДзержинскийДимитровградДмитровДолгопрудныйДомодедовоДонецкЕвпаторияЕгорьевскЕкатеринбургЕлецЕссентукиЖелезногорскЖелезнодорожныйЖуковскийЗеленоградЗлатоустИвановоИвантеевкаИжевскИркутскИстраЙошкар-ОлаКазаньКалининградКалугаКаменск-УральскийКамышинКаспийскКемеровоКерчьКировКисловодскКлинКовровКоломнаКомсомольск-на-АмуреКопейскКоролёвКостромаКотельникиКрасногорскКраснодарКраснознаменскКрасноярскКурганКурскКызылЛенинск-КузнецкийЛипецкЛобняЛыткариноЛюберцыМагнитогорскМайкопМалаховкаМахачкалаМиассМоскваМурманскМуромМытищиНабережные ЧелныНазраньНальчикНаро-ФоминскНахабиноНаходкаНевинномысскНефтекамскНефтеюганскНижневартовскНижнекамскНижний НовгородНижний ТагилНовокузнецкНовокуйбышевскНовомосковскНовороссийскНовосибирскНовоуральскНовочебоксарскНовочеркасскНовошахтинскНовый УренгойНогинскНорильскНоябрьскОбнинскОдинцовоОктябрьскийОмскОрелОренбургОрехово-ЗуевоОрскПавловский ПосадПензаПервоуральскПермьПетрозаводскПетропавловск-КамчатскийПодольскПрокопьевскПсковПушкиноПятигорскРаменскоеРеутовРостов-на-ДонуРубцовскРыбинскРязаньСакиСалаватСамараСанкт-ПетербургСаранскСаратовСевастопольСеверодвинскСеверскСергиев ПосадСерпуховСимферопольСмоленскСосновый БорСочиСтавропольСтарый ОсколСтерлитамакСтупиноСургутСызраньСыктывкарТаганрогТамбовТверьТихвинТольяттиТомилиноТомскТроицкТулаТюменьУлан-УдэУльяновскУссурийскУсть-ИлимскУфаУхтаФеодосияФрязиноХабаровскХанты-МансийскХасавюртХимкиЧебоксарыЧелябинскЧереповецЧеркесскЧеховЧитаШахтыЩелковоЭлектростальЭлистаЭнгельсЮжно-СахалинскЯкутскЯлтаЯрославль
  • - бесплатно по РФ
    Автоперезвон. Работает по принципу: Вы позвонили на номер, мы сбрасываем звонок и перезваниваем через 3 секунды.
  • - по Москве
  • 8 (925) 663-83-63

Call-центр

пн-вс: 10:00-19:00

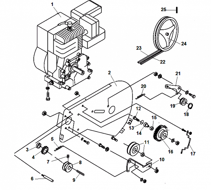
1 РЕМЕНЬ - ШКИВ - ДВИГАТЕЛЬ КУЛЬТИВАТОР CHAMPION BC6612H

NАртикулНазваниеСрок отгрузкиЦенаКупить
1 GX160 Двигатель
2 802026 Боковой лист кожуха ремня 1.638 р.
3 801033 Шайба шестерни
4 804025 Шестерня заднего хода маленькая 173 р.
5 801066 Пружина кронштейна 60 р.
6 801046 Ограничитель ремня
7 801018 Винт крепления шкива
8 807010 Шкив ремня (двигатель) 487 р.
9 801065 Шпонка коленвала 35 р.
10 802028 Кронштейн ролика натяжения 298 р.
11 804024 Ролик натяжения ремня переднего 311 р.
12 801004 Болт крепления шестерни
13 801056 Кольцо стопорное
14 801034 Втулка шестерни заднего хода 86 р.
15 801069 Подшипник шестерни заднего хода 213 р.
16 804064 Шестерня заднего хода 888 р.
17 802030 Скоба ограничительная 119 р.
18 801014 Кольцо стопорное
19 804015 Ролик натяжения ремня заднего хода 238 р.
20 801067 Пружина кронштейна ролика 65 р.
21 802080 Кронштейн ролика натяжения ремня 178 р.
22 807006 Ремень переднего хода 738 р.
23 807015 Ремень заднего хода М37 (L-925мм, b-10мм), CHAMPION(IGP) 807015 491 р.
24 804007 Шкив ремня (редуктор) 1.408 р.
25 801050 Шпонка шкива редуктора 36 р.
Найдено товаров: 25
1
▲ Наверх
0
8 (925) 663-83-63

Call-центр

пн-вс: 10:00-19:00

НАЙТИ ПО МОДЕЛИ
Введите номер заказа
Введите номер своего заказа, что бы узнать его текущий статус.
Что бы получить доступ к расширенным функциям, пройдите не сложную регистрацию. Зарегистрироваться