Магазин запчастей для бытовой техники - Arlos
Москва
close
Выберите ваш регион
АбаканАлександровАльметьевскАнгарскАрзамасАрмавирАртемАрхангельскАстраханьАчинскБалаковоБалашихаБеларусьБелгородБердскБерезникиБийскБлаговещенскБратскБрянскВеликий НовгородВидноеВладивостокВладикавказВладимирВолгоградВолгодонскВолжскийВологдаВолховВоркутаВоронежВоскресенскВыборгГатчинаГеленджикГрозныйДедовскДербентДзержинскДзержинскийДимитровградДмитровДолгопрудныйДомодедовоДонецкЕвпаторияЕгорьевскЕкатеринбургЕлецЕссентукиЖелезногорскЖелезнодорожныйЖуковскийЗеленоградЗлатоустИвановоИвантеевкаИжевскИркутскИстраЙошкар-ОлаКазаньКалининградКалугаКаменск-УральскийКамышинКаспийскКемеровоКерчьКировКисловодскКлинКовровКоломнаКомсомольск-на-АмуреКопейскКоролёвКостромаКотельникиКрасногорскКраснодарКраснознаменскКрасноярскКурганКурскКызылЛенинск-КузнецкийЛипецкЛобняЛыткариноЛюберцыМагнитогорскМайкопМалаховкаМахачкалаМиассМоскваМурманскМуромМытищиНабережные ЧелныНазраньНальчикНаро-ФоминскНахабиноНаходкаНевинномысскНефтекамскНефтеюганскНижневартовскНижнекамскНижний НовгородНижний ТагилНовокузнецкНовокуйбышевскНовомосковскНовороссийскНовосибирскНовоуральскНовочебоксарскНовочеркасскНовошахтинскНовый УренгойНогинскНорильскНоябрьскОбнинскОдинцовоОктябрьскийОмскОрелОренбургОрехово-ЗуевоОрскПавловский ПосадПензаПервоуральскПермьПетрозаводскПетропавловск-КамчатскийПодольскПрокопьевскПсковПушкиноПятигорскРаменскоеРеутовРостов-на-ДонуРубцовскРыбинскРязаньСакиСалаватСамараСанкт-ПетербургСаранскСаратовСевастопольСеверодвинскСеверскСергиев ПосадСерпуховСимферопольСмоленскСосновый БорСочиСтавропольСтарый ОсколСтерлитамакСтупиноСургутСызраньСыктывкарТаганрогТамбовТверьТихвинТольяттиТомилиноТомскТроицкТулаТюменьУлан-УдэУльяновскУссурийскУсть-ИлимскУфаУхтаФеодосияФрязиноХабаровскХанты-МансийскХасавюртХимкиЧебоксарыЧелябинскЧереповецЧеркесскЧеховЧитаШахтыЩелковоЭлектростальЭлистаЭнгельсЮжно-СахалинскЯкутскЯлтаЯрославль
  • - бесплатно по РФ
    Автоперезвон. Работает по принципу: Вы позвонили на номер, мы сбрасываем звонок и перезваниваем через 3 секунды.
  • - по Москве
  • 8 (925) 663-83-63

Call-центр

пн-вс: 10:00-19:00

ЗАПЧАСТИ ДЛЯ ИНВЕРТОРА СВАРОЧНОГО ELITECH АИС 200СА

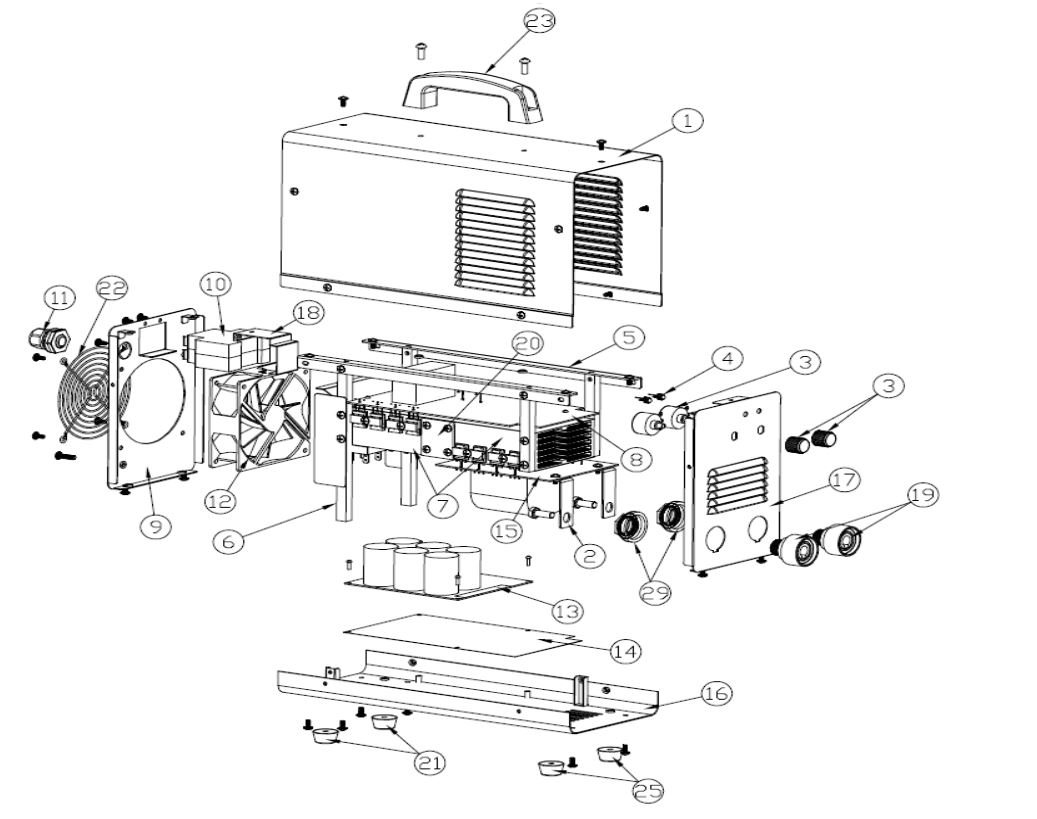
NАртикулНазваниеСрок отгрузкиЦенаКупить
1 0600.058300 Корпус
2 0600.058400 Пластина соединительная (медная)
3 0600.056200 Рукоятка регулятора
4 0600.055700 Индикатор
5 0600.058500 Планка
6 0600.058600 Стойка вертикальная
7 0600.058700 Радиатор
8 0600.058800 Плата печатная верхняя BM-61-A0 2009.09.11
8 0600.058801 Плата BM-61-A1 2010.01.05 упр-ния верх. 10004059: АИС200СА 12.570 р.
8 0600.058802 Плата печатная верхняя BM-61-A0 2009.09.11
8 0600.058803 Плата печатная верхняя BM-61-A1 2010.01.05
8 0600.058804 Плата печатная верхняя BM-61-A0 2009.09.11
9 0600.058900 Панель задняя
10 0600.059000 Выключатель автомат DZ47-63 С63 двойной. 63А. АИС 200СА замена 0601.124300 450 р.
11 0600.059100 Держатель кабеля
12 0600.059200 Вентилятор
13 0600.059300 Плата печатная
14 0600.059400 Пластина изоляционная
15 0600.059500 Плата печатная центральная
16 0600.059600 Основание
17 0600.059700 Панель передняя
18 0600.059800 Крепление кабеля сетевого
19 0600.059900 Разъём Dx50. АИС200СА 212 р.
20 0600.060000 Пластина соединительная
21 0600.060100 Опора (резиновая)
22 0600.060200 Решетка вентилятора защитная
23 0600.060300 Рукоятка
29 0600.060400 Крышка разъема
30 0600.056500 Выключатель
30 0600.060500 Выключатель
30 M560600 Выключатель
Найдено товаров: 31
1
▲ Наверх
0
8 (925) 663-83-63

Call-центр

пн-вс: 10:00-19:00

НАЙТИ ПО МОДЕЛИ
Введите номер заказа
Введите номер своего заказа, что бы узнать его текущий статус.
Что бы получить доступ к расширенным функциям, пройдите не сложную регистрацию. Зарегистрироваться